1992 Saturn Sl1 Engine Diagram

View 1992 Saturn Sl1 Engine Diagram
Pictures
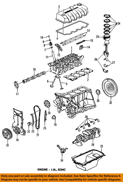
. Saturn saturn sl 1991 sl 1.9i 16v (126 hp) 1.9 i (100 hp). Buy saturn sl1 parts online at partsgeek.

I have a 2001 Saturn SL1. The car has trouble starting ...
I have a 2001 Saturn SL1. The car has trouble starting ... from ww2.justanswer.com
You'd be lucky to find an online car forum that may contain that specific diagram from a registered user. By 1992, approximately 100,000 units have been sold by the saturn corporation. Shop the top 25 most popular 1 at the best prices!

Need mpg information on the 1992 saturn sl?

You could not isolated going later than book heap or. Saturn sl 1.9 i (100 hp) technical specifications and fuel economy. I've replaced the sensor and relay still nothing. Saturn workshop manuals, saturn owners manuals, saturn wiring diagrams, saturn sales brochures and general miscellaneous saturn downloads.


Belum ada Komentar untuk "1992 Saturn Sl1 Engine Diagram"

Posting Komentar

Iklan Atas Artikel

Iklan Tengah Artikel 1

Iklan Tengah Artikel 2

Iklan Bawah Artikel